止回閥作用
止回閥是一種能自動阻止介質倒流的閥門,通過介質的作用力將閥瓣開啟,此時止回閥屬于打開狀態;通過止回閥進出口壓力差、閥瓣自身重力等因素作用下啟閉件關閉,以防止介質倒流。止回閥應用:止回閥一般分為升降式、旋啟式、蝶式、隔膜式等幾種結構類型。升降式止回閥的關閉件是沿閥座中心線移動;旋啟式止回閥的關閉件在閥體內繞固定軸移動;蝶式止回閥的結構類似蝶閥,結構簡單、流阻小、水錘小;隔膜式止回閥采用隔膜作為關閉件,結構簡單,水錘小,但受介質壓力及溫度的限制。

止回閥是一種能自動阻止介質倒流的閥門,通過介質的作用力將閥瓣開啟,此時止回閥屬于打開狀態;通過止回閥進出口壓力差、閥瓣自身重力等因素作用下啟閉件關閉,以防止介質倒流。止回閥應用:止回閥一般分為升降式、旋啟式、蝶式、隔膜式等幾種結構類型。升降式止回閥的關閉件是沿閥座中心線移動;旋啟式止回閥的關閉件在閥體內繞固定軸移動;蝶式止回閥的結構類似蝶閥,結構簡單、流阻小、水錘小;隔膜式止回閥采用隔膜作為關閉件,結構簡單,水錘小,但受介質壓力及溫度的限制。

產品用處
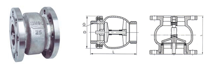
本公司生產的H41,HC41(B型),H41-16T型不銹鋼消聲止回閥,實用于給、排水管道,閥瓣采用進出口兩端中心軸導向,啟閉機動,可程度定裝或垂直安裝。閥瓣采用彈簧加載,其快速封閉能有效地減小水錘壓力,密封性能好,封閉無噪聲。它具有體積小、重量輕、流體阻力小、耐疲憊、壽命長等長處。
不銹鋼消聲止回閥重要技巧參數
|
||||||||||||||||||||
重要外形尺寸:
| 型號 |
H41X H41H-P H41H-T
|
|||||||||||||
| DN(mm) | 40 | 50 | 65 | 80 | 100 | 125 | 150 | 200 | 250 | 300 | 350 | 400 | 450 | 500 |
| L | 112 | 120 | 130 | 150 | 165 | 190 | 210 | 255 | 310 | 362 | 380 | 450 | 545 | 580 |
不銹鋼消聲止回閥的外形尺寸和連接尺寸,請接洽我們索取。