減壓閥作用
減壓閥是通過調節,將進口壓力減至某一需要的出口壓力,并保持穩定的閥門。按結構形式可分為活塞式減壓閥、薄膜式減壓閥、波紋管式減壓閥等。活塞式減壓閥體積小、便于調節、使用較廣、但靈敏度較薄膜式低,制造工藝要求高,適用于空氣、水、蒸汽等介質。特別是當介質溫度較高時,大量選用活塞式減壓閥。薄膜式減壓閥敏感度較高,但薄膜易損壞,且使用溫度受到限制,常用在水、空氣等溫度與壓力不高的場合。波紋管式減壓閥敏感度較高,但制造工藝復雜、成本高。

減壓閥是通過調節,將進口壓力減至某一需要的出口壓力,并保持穩定的閥門。按結構形式可分為活塞式減壓閥、薄膜式減壓閥、波紋管式減壓閥等。活塞式減壓閥體積小、便于調節、使用較廣、但靈敏度較薄膜式低,制造工藝要求高,適用于空氣、水、蒸汽等介質。特別是當介質溫度較高時,大量選用活塞式減壓閥。薄膜式減壓閥敏感度較高,但薄膜易損壞,且使用溫度受到限制,常用在水、空氣等溫度與壓力不高的場合。波紋管式減壓閥敏感度較高,但制造工藝復雜、成本高。

用處
先導活塞式蒸汽減壓閥系列減壓閥屬于先導活塞式減壓閥。由主閥和導閥兩部分組成。主閥重要由閥座、主閥盤、活塞、彈簧等零件組成。導閥重要由閥座、閥瓣、膜片、彈簧、調節彈簧等零件組成。通過調節調節彈簧壓力設定出口壓力、利用膜片傳感出口壓力變更,通過導閥啟閉驅動活塞調節主閥節流部位過流面積的大小,實現減壓穩壓功效。
產品重要用于蒸汽管路,起減壓穩壓作用。
重要技巧參數
| 公稱壓力(Mpa) | 1.6 | 2.5 | 4.0 | 6.4 | 10.0 | 16.0 |
| 殼體實驗壓力(Mpa)* | 2.4 | 3.75 | 6.0 | 9.6 | 15.0 | 24 |
| 密封實驗壓力(Mpa) | 1.6 | 2.5 | 4.0 | 6.4 | 10.0 | 16.0 |
| 最高進口壓力(Mpa) | 1.6 | 2.5 | 4.0 | 6.4 | 10.0 | 16.0 |
| 出口壓力范疇(Mpa) | 0.1-1.0 | 0.1-1.6 | 0.1-2.5 | 0.5-3.5 | 0.5-3.5 | 0.5-4.5 |
| 壓力特征偏差(Mpa)△P2P | GB12246-1989 | |||||
| 流量特征偏差(Mpa)P2G | GB12246-1989 | |||||
| 最小壓差(Mpa) | 0.15 | 0.15 | 0.2 | 0.4 | 0.8 | 1.0 |
| 滲漏量 | GB12245-1989 | |||||
| *:殼體實驗不包含膜片、頂蓋 |
| 重要零件材料 |
|
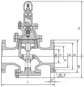
重要結構尺寸(法蘭連接尺寸按GB4216的規定)
| 公稱通徑 DN |
外 形 尺 寸 | |||
| L | H | Hl | ||
| 1.6/2.5MPa | 4.0MPa | |||
| 15 | 160 | 180 | 295 | 90 |
| 20 | 160 | 180 | 330 | 98 |
| 25 | 180 | 200 | 330 | 110 |
| 32 | 200 | 220 | 330 | 110 |
| 40 | 220 | 240 | 345 | 125 |
| 50 | 250 | 270 | 345 | 125 |
| 65 | 280 | 300 | 350 | 130 |
| 80 | 310 | 330 | 385 | 160 |
| 100 | 350 | 380 | 385 | 170 |
| 125 | 400 | 450 | 400 | 200 |
| 150 | 450 | 500 | 415 | 210 |
| 200 | 500 | 550 | 475 | 240 |
| 250 | 650 | 525 | 290 | |
| 300 | 800 | 580 | 335 | |
| 350 | 850 | 620 | 375 | |
| 400 | 900 | 660 | 405 | |
| 450 | 900 | 730 | 455 | |
| 500 | 950 | 750 | 465 | |
先導活塞式蒸汽減壓閥的外形尺寸和連接尺寸,請接洽我們索取。