由于具備高照明效率、長效性與小體積,LED已成為便攜式設備,如移動電話與PDA等的必定選擇,約0.1W的低功耗白光LED目前正廣泛利用在LCD顯示面板的背光與鍵盤照明上,當然也可通過連接多顆LED帶來較高的亮度作為臨時照明或閃光燈等利用,而可達1W的高功率LED則利用在配備兩百萬像素,甚至更高分辨率的拍照手機中來支撐黑暗環境中的拍照功效。除白光LED外,RGB(紅、綠、藍)光LED也經常被用來強化移動電話的質感,通過三種色彩準確適當地混和,RGB LED可發明出豐富多樣的色彩。
在唆使利用上,當有來電或信息時可以讓彩色LED閃耀,或利用色彩來顯示發話者的身份,例如自行定義的群組,如朋友、家人或業務往來的來電,這項功效不僅為移動電話帶來個性化,同時在非常吵雜的環境中也相當有用。為進一步強化應用者的影音感受,RGB LED也同時用來產生很多吸引人的發光后果,其中一個例子是將RGB的發光動作與響鈴的旋律或MP3音樂加以同步,另外一個RGB發光的有趣利用則是日本松下公司的“Feel Talk”功效,由于RGB LED被安排在移動電話的機殼下方,因此可以依應用者的心情顯示不同的色彩。
LED效能的改良和電氣特征
在大批資金投注LED開發后,白光LED的照明效率比起剛發明時有了大幅度的改良,目前市場上最佳的白光LED照明效率可以達到100lm/W,相當接近日光燈管,而一些領先公司也嘗試在藍光LED上應用不同的涂敷物質,并推出更佳發光效率的設計計劃,因此供給面板背光所需的LED數目將持續下滑,目前移動電話上尺度LCD面板所需的背光LED大約為2~4顆,而PDA或智能型手機上LCD面板的背光則需要6~10顆。在進一步討論LED背光與閃光燈的驅動電路結構與新功效前,先回想一下移動電話與PDA中廣泛應用的LED以及電池的電氣特征。
依不同制作商所采用技巧的差別,LED的正向電壓(Vf)大約在2.7~4V之間,通常高功率LED擁有高達4.9V的較高正向電壓,因此LED驅動電路就必需供給足夠的正電壓以便讓LED以正向偏壓的方法發光。當采用多顆LED來供給背光時,在驅動電路設計上應考慮正向電壓間的差距,為了得到雷同的照明強度,也就是讓不同的LED發出雷同的色彩,設計工程師必需確保流經每顆LED的正向電流能夠雷同,低功率LED通常采用20mA的正向電流,最大約為25mA,目前市場上的高功率LED則能以高達1.5A的脈沖電流來驅動。
電池的電氣特征
目前移動電話與PDA中最常見的電池為鋰離子或者鋰高分子可充電電池,采用鋰材料的可充電電池額定電壓范疇是3.6V~3.7V,工作電壓則為4.2V~3.2V,為確保能夠安全工作,這類型的鋰電池只能夠在1C的范疇內充電或放電,這里C由電池的額定容量所決定,例如1,000mAh的電池最高放電電流為1A,移動電話通常應用的電池容量大約在650~1,000mAh之間。為改良電池的效能,采用不同陰極材料的新型鋰離子電池已開端開發。在應用這類電池組時,設計工程師應當遵照電氣規格限制并據此調劑驅動電路。
在應用最高正向電壓為3.4V~4V的LED時,由電池供給的輸進電壓必需即是或高于所需的驅動電壓,因此需要一個具有穩固電流功效的升壓式轉換器來推動以串聯或并聯方法連接的LED。
電荷泵轉換器目前廣泛應用在LCD的背光驅動上,與采用電感式的升壓式轉換解決計劃比擬,電荷泵驅動電路由于具備較低的本錢、較薄的厚度以及較低的噪聲特征而成為較佳的選擇,新推出的集成電路設計已經逐漸改良電荷泵驅動電路的效率,目前最高效率可超過93%,而均勻效率則約為80%。電荷泵驅動電路通常采1x與2x模式運作,部分設備中則參加了1.33x與1.5x模式來改良效率,在這類解決計劃中,LED采用并聯方法連接,同時每個LED的電流由各自獨立的匹配電流源供給,最佳的驅動芯片在雷同電路中任兩個LED電流間的匹配誤差約為0.2%。
在便攜式設備中,當按鍵盤或觸摸屏時所用的LED電流最高,而在幾秒鐘沒有動作后,為下降功耗LED電流將下降,把持LED電流的一個常見方法是采用PWM脈沖來驅動芯片的使能端,通過啟動與封閉芯片,其輸出電流為PWM信號占空比的均勻值。對于新LED驅動芯片,由于采用單根(S-Wire)或兩根線的I2C接口,故只需用一或兩個I/O口,因而設計非常簡略。
漸進式亮度變更與情境式照明
漸進式亮度變更重要利用在便攜式設備啟動或關機時以發明戲院式的照明后果,在啟動時,背光電流會以預先設定的時間間隔以步進方法逐步放大到20mA,同樣在關機時采用相反的動作逐步下降,通過微處理器的幫助,可將具備不同頻率的PWM信號送到LED驅動電路的使能端來實現這樣的后果,以特定時間間隔將LED電流用多重步進的方法加大或下降,但這個方法的毛病是耗費實時處理器資源,在NCP5602與NCP5612這類的LED驅動芯片產品上就具有此功效,參考圖1。

圖1(a):采用I2C把持接口的LED驅動電路

圖2(b):采用單線式S-Wire把持接口的LED驅動電路
這些驅動芯片需要兩個箝位電容,分辨位于輸出與輸進端以及一個用來把持最高輸出電流的電阻(R1),漸進式亮度變更把持指令則由處理器通過I2C或I/O口送到驅動芯片,指令本身應當包含起始與終極電流值以及亮度變更的時間間隔。
假如利用在RGB LED上時,這樣的功效就能夠用來產生情境式的照明后果,每個RGB LED都有32級亮度,像NCP5623這類的LED驅動芯片就可達到驚人的32,768種色彩變更,由于如此精致的亮度級差及內嵌有對數算法,色彩的變更呈線性化且相當柔順,RGB LED驅動電路包含用來調劑3顆LED輸出電流的獨立把持PWM電流源,以便產生所需的色彩輸出。

圖2:具備I2C把持接口的典范RGB LED驅動芯片利用。
由于每個電流輸出的時序與電流大小都可以獨立把持調劑,因此我們就能夠應用白光或帶有色彩的LED,并利用不同的發光模式來實現豐富多彩的裝飾或唆使,部分具備音頻輸進的電路還能夠讓彩色LED與內部嵌進的MP3或和弦鈴聲的不同頻帶雷同步。
ICON模式
您是否曾在黑暗中從移動電話上看時間,這時明亮背光與黑暗環境的強烈對照對眼睛來說相當不舒暢,假如您在觀賞電影過程中感到無聊來看時間,還可能會干擾隔壁的觀眾,這也就是為什么采用“ICON”模式,即在待機模式下以渺小的電流在外部LCD面板上顯示時間或用戶定義的圖片。不過假如這必需通過PWM亮度把持來實現,那么處理器就得在全部待機模式下產生一個持續的低頻PWM信號,在NCP5602中,這個功效采用硬件方法實現,并且通過表1中的數字命令來加以啟動。

表1:NCP5602的I2C內部存放器位安排。
由處理器送到驅動芯片的數據字節中的B5代表的是ICON模式的狀態,當B5為LOW時,表現應用的是正常的背光模式,每個LED的電流可以在0mA~30mA之間調劑,當B5為HIGH時,那么就會啟動ICON模式,并且只會將450μA的電流送到所連接的兩顆LED中的一個上,在這個器件中ICON模式的電流值為固定值,但在類似NCP5612的產品上,這個電流則可以通過單線式通信協議來加以把持,圖3顯示了通過I2C通信協議中SCL與SDA連接線的ICON把持程序。

圖3:ICON模式把持時的簡略SCL與SDA連接線上的數據次序。
線性穩壓器/電流源解決計劃
在應用具備約3.3V較低正向電壓的猬集式LED時,可選擇線性穩壓器供給驅動電流,線性穩壓器與開關轉換器比擬,上風在于較低本錢及較低電磁干擾,因線性穩壓器只需在驅動芯片的外圍參加幾顆電阻,且無需應用開關器件,但這類解決計劃的毛病是下降了電池電壓工作范疇,圖4顯示應用NUD4301低壓降線性穩壓器做為兩顆LED驅動電路的情況,依尺度0.2V壓降及3.3V的LED正向電壓考慮,穩壓器將在電池電壓低于3.5V時離開穩壓模式進進飽和模式,這將造成穩壓器輸出電流大幅下滑且LED亮度變暗。但若最低電池電壓在可接收范疇,則線性穩壓器還是小型LCD面板最具本錢效益的背光解決計劃。

圖4:采用線性穩壓器NUD4301做為推動小型LCD面板背光的兩顆LED驅動電路。
移動電話上的臨時照明利用
移動電話所供給的LED照明功效廣泛被認為是相當精妙的設計,由很多手電筒現在都由數顆低功率LED組成,并通過相對較低的20mA到60mA電流驅動的趨勢可看出。這類照明可做為便攜式手電筒,但它微弱的照明強度對支撐黑暗環境下的拍照動作卻顯不足,事實上必需要有一個或更多高功率LED才干支撐1米或更遠的物體拍攝照明,阻礙工程師采用高功率LED的重要原因還是本錢標題,但在臺灣地區與韓國制作商逐漸提高功率LED的產能后,預感單價將會開端降落。
高功率閃光燈用LED
在照明與閃光模式下通常應用不同的電流與驅動時間,例如在照明模式下可以應用200mA的持續電流,而在閃光模式下則采用400mA到1A的脈沖電流,閃光脈沖的時間是非依相機模塊的特征而定,通常閃光脈沖的寬度介于20ms到200ms之間,閃光驅動電路能支撐閃光LED大約1A的驅動電流,供給LED高達4.9W的輸出,為讓LED的結溫保持在最高可容的范疇,必需用良好的溫度治理策略,將脈沖寬度縮小有助下降不必要的耗費,而較大的接地面積也是將熱量從LED導出的一個推薦方法。
單顆高功率閃光燈驅動電路
升壓式轉換器是支撐高功率LED中最高達4.9V正向電壓的必備條件,但是就算是雷同的LED芯片,正向電壓在不同條件下也會不同。當LED升溫時,正向電壓可能會滑落到低于輸進電池電壓,因此就需要降壓式轉換器。技巧上說,升降壓轉換器是推動單顆高功率LED最合適解決計劃,但這類驅動芯片通常本錢較高,同時需要配用提高總體本錢與體積的外部電感。升降壓轉換器的長處則在于較高的整體效率,重要原因是完整應用了電池的能量,同時能供給超過1A甚至更高的超高輸出電流。新推出的高電流電荷泵驅動電路是升降壓轉換器的一個低本錢調換解決計劃。但電荷泵轉換器的輸出電流最高大約在700mA,重要還是受到較低效率以及從電池汲取電流的限制。
集成型照明治理芯片
具備背光與閃光功效,部分甚至還具備RGB與其它影音功效的集成型照明治理芯片(LMIC)目前已經面市,它包含可采用電荷泵或電感式設計的升壓轉換器。每個輸出則由可調式電流源供給,這樣的解決計劃在翻蓋式或滑蓋式手機中特別有用,由于它免往了由電源治理單元拉到電話另一面所需的長路徑。NCP5608是一個可供給高達500mA的總電流,配備8個輸出的集成型電荷泵驅動芯片,它的輸出電流可由處理器通過I2C端口來調節,同時也能組成不同的LED配置來滿足各種平臺的需求。目前通過單線的數字把持已廣泛利用在獨立型背光LED驅動芯片上,不過這樣的把持協議對LMIC來說速度太慢且太復雜,原因在集成驅動電路中需采用各種不同的把持組合。相反,在LMIC上通常會應用具有時鐘與數據線的I2C或其它專用把持協議。

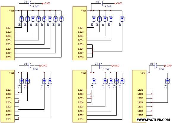
圖5:集成型LED驅動芯片供給了各種不同的LED組合變更,從4顆以25mA電流驅動的背光功效與4顆供給閃光燈用的100mA LED,一直到聯合所有輸出來推動一個高功率LED的閃光燈利用。

圖6:具備內部開關與時間限制保護的4.5W功率閃光燈驅動電路。
拍照手機中真正的閃光燈功效
市場上已呈現300萬甚至更高像素的移動電話來支撐高質量的照相功效,為能讓LED供給與氙氣式閃光燈媲美的照明強度,可通過推動兩顆或更多的高功率LED作為閃光燈;具備4.5W高功率驅動才能的電感式升壓轉換器可以500mA的驅動電流推動兩顆串聯的LED。留心,在這類驅動電路中必需參加時間限制保護電路以避免LED長時間工作而損壞,同時驅動芯片中也應參加開關來轉變照明與閃光利用時的電流大小。
本文小結
LED的批量供貨已經讓移動電話與PDA上LCD面板背光用低功率LED的單價越來越低,新推出的背光驅動芯片也內嵌步進式亮度把持以及不需任何軟件設計,同時也不耗費任何微處理器資源的情境照明把持功效,而這些LED驅動電路可以幫助便攜式產品制作商縮短開發時間。而在較低本錢的解決計劃上,則可以應用線性穩壓器來推動正向電壓較低的LED。另一方面,市場上也呈現幾種閃光燈驅動解決計劃。分辨為獨立型升降壓轉換器、高電流電荷泵驅動電路以及照明治理芯片。大部分的功率閃光燈可能包含幾個尺度的LED或一顆高功率LED,目前拍照手機中高功率LED尚未普及的重要原因是單價較高。在部分高端移動電話中應用了兩顆LED以便供給較高亮度的閃光燈來強化拍照手機的拍照后果。在拍照手機逐漸代替數碼相機的趨勢下,更高功率的閃光燈解決計劃將越來越普及,從而為用戶供給真正的拍照體驗。(文/安森美半導體低電壓電源治理產品市場經理林欣欣)
